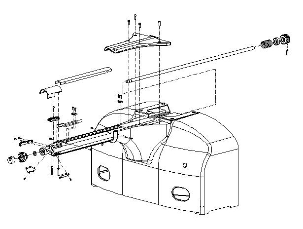
32874 - Front

Lower Arm, Assembly

Click Here for Rear View